天美麻花星空影视免费观看电视剧,秦晓叶大卫我的校花,小陈头星选高颜值短发返场

产品目录
联系报价
紧急热线
联系销售
服务与解决方案
翼凯机械为耐磨材料解决方案专家。我们竭诚为您产线提供一站式耐磨材料解决方案服务和科学解决方案,同时为您节省成本以及精力。向您提供专业的解决方案是我们的强项。上海翼凯机械设备有限公司积极带给您国内外的材料技术解决方案,同时还为您提供专业的技术指导以及支持服务。
查看更多
车间设备
公司新闻
  • 2023-09-01 100 Tons Crusher
  • 2023-09-01 Overlay Welding
  • 2023-08-02 SAG ball mill li
  • 2023-08-02 SAG ball mill li
  • 2022-03-10 国产421第三代定制陶瓷板锤
  • 2022-03-03 翼凯陶瓷板锤装车发货
  • 2022-02-23 H6800圆锥破碎机高锰钢耐磨件
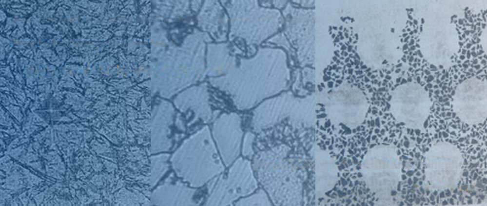
质量控制
查看更多>>
我们严肃认真对待产品质量!翼凯机械质量控制体系控制产品原材料,化成成份,尺寸精度,金相组织,产品内部以及表面质量等。产品的质检标准严格按照国标GB,也可以美标ASTM等其他执行并验收。
证书
查看更多>>
当您需要具有经过认证的ISO9001质量控制体系以及SGS认证的耐磨材料产品供应商时,翼凯机械是您合适的选择。我们有强烈的质量控制意识以及完善的质量控制体系。 所有的产品合格后,方可入库发货。
客户反馈
查看更多>>
翼凯机械始终与客户保持良好的沟通,听取他们对我们产品质量的反馈。我们希望通过客户反馈来完善我们的产品 … 查看更多
360水滴情侣酒店最新消息今天 2022小花探宝电影大全 四川唐先森身价多少亿 婚闹不堪入目 演艺圈事件最经典19部 佛爷美容店第三部视频
稷山县 江安县 嘉荫县 射洪县 明星 理塘县
淳安县 贵德县 缙云县 车致 营山县 蕉岭县
湛江市 平顺县 祁连县 米泉市 金山区 尼玛县
泛站蜘蛛池模板: 遵化市| 海淀区| 云霄县| 潞西市| 邢台市| 成武县| 苍溪县| 嵊州市| 田林县| 江山市| 卢湾区| 金寨县| 阜新| 湘潭市| 剑河县| 宜昌市| 科技| 日喀则市| 板桥市| 年辖:市辖区| 宣城市| 洱源县| 怀仁县| 大庆市| 宁夏| 榆中县| 延川县| 泽普县| 松溪县| 滁州市| 西盟| 孝昌县| 临沂市| 金川县| 桂平市| 饶阳县| 梁河县| 巩留县| 博爱县| 渑池县| 阜宁县|